电石渣法脱硫废水处理系统的设计应用
2016-02-03 09:36:38
作者:杨家军
摘要:随着电石渣脱硫工艺的逐步推广,其产生的脱硫废水处理面临着很大的挑战,由于电石渣脱硫废水的悬浮物SS、COD和重金属含量都非常的高,传统的脱硫废水处理工艺已经很难满足处理要求,优化升级后的处理工艺,在传统工艺的基础上,增加了电絮凝系统和活性炭吸附系统,能够有效的降低SS、COD、重金属等各项指标,其中COD和重金属去除效率都在90%以上,完全能够满足当下日益严格的废水排放标准,值得推广。
关键词:电絮凝系统;活性炭吸附系统;效率
Abstract: With the gradual promotion of electricity carbide slag desulfurization, the ways to deal with desulfurization-wastewater that generated faced with great challenges.Because of the highly content of the suspended solids SS, COD and heavy metal in the wastewater generated by carbide slag desulfurization,and the traditional desulfurization wastewater treatment process had been difficult to meet the processing requirements. The optimizing treatment processes after the upgrade added with the electro-flocculation system and activated carbon adsorption system based on the traditional processes that can effectively reduce the indicators of SS, COD, heavy metals, and the removal efficiency of COD and heavy metal of them is above 90% which was fully able to meet the increasingly stringent wastewater emission standards and it was worthy to be promoted .
Keywords: electro-flocculation system; activated carbon adsorption system; efficiency
一、概况
电石渣是化工厂生产乙炔时排出的废渣,主要成分是氢氧化钙,质量分数通常都能达到60% ~ 80% ,次要成分随电石渣来源及生产条件、设备不同而异。目前关于电石渣湿法脱硫已经作为一种成熟烟气脱硫工艺逐步推广。电石渣-石膏湿法脱硫较之于传统的石灰石-石膏湿法脱硫,拥有较多的优点,但由于电石渣中杂质成分复杂,除常规的硅、铁、铝、镁、硫、磷的氧化物或氢化物外,还存在焦炭、有机物酚类和重金属等杂质,这些杂质将在脱硫浆液中累积,最终进入脱硫石膏中,影响脱硫石膏品质。为此,系统须及时排出适量的废水,保证系统的正常运行,其产生的脱硫废水也有别于传统的石灰石-石膏湿法脱硫,主要特点是悬浮物SS(15000~23000 mg/L)、COD(500~700 mg/L)和重金属(其中Pb、 Cr 、As达到20 mg/L ,Hg最高达到40 mg/L)含量极高,因此必须对常规的脱硫废水处理工艺进行有针对性的设计升级改造,否则水质很难达标排放。
1)传统工艺流程:
2)改进后的工艺流程:
3)工艺设计说明
脱硫废水处理工艺包括以下三个部分:脱硫装置废水处理系统、化学加药系统和污泥脱水系统。从改进后的工艺流程,很明显能够看出,增加了电絮凝系统和活性炭吸附系统,减少了曝气系统和次氯酸钠加药系统。在此,由于大部分子系统都是非常成熟的工艺,重点阐述电絮凝系统和活性炭吸附系统。
脱硫装置产生的废水呈弱酸性,含有一些固体物。经化学—物理处理后,废水中的悬浮物杂质、重金属等得到了去除,废水得到了澄清,处理过的水达标(一级排放标准)后进行外排。脱硫装置的废水连续排至废水处理系统,通过以下处理步骤单流程连续处理:
从FGD系统废水旋流器溢流出的废水进入废水处理系统中,首先汇集到废水缓冲池内,通过该池的缓冲作用,使系统能以稳定的流量运行。
然后废水经由废水提升泵,进入电絮凝装置,以铝、铁等金属为阳极,在直流电的作用下,阳极被溶蚀,产生Al、Fe等离子,在经一系列水解、聚合及亚铁的氧化过程,发展成为各种羟基络合物、多核羟基络合物以至氢氧化物,使废水中的胶态杂质、悬浮杂质凝聚沉淀而分离.同时,带电的污染物颗粒在电场中泳动,其部分电荷被电极中和而促使其脱稳聚沉。
进入电凝聚设备的水被电解,生成初生态氧和氢,初生态的氧有极强的氧化作用,可去除废水中有机物,降低废水的COD, 去除率一般在90%以上.
经电絮凝法处理后的废水可以达到以下的处理效果:Cr<0.001,去除率最大可达100%; Ni<0.005去除率最大,可达100%;Zn<0.062去除率可达57%,其余的重金属离子也有不同程度的去除效率.
经电絮凝法处理后的废水,进入中和/反应/絮凝箱。在中和箱中,废水的PH值采用投加石灰乳的方式进一步调节至9~9.5之间,此过程中大部分剩余的重金属形成微溶的氢氧化物从废水中沉淀出来。
在中和箱中不能以氢氧化物沉淀的重金属,在反应箱中通过投加有机硫药液,使残余的重金属与有机硫化物形成微溶的化合物,以固体的形式沉淀出来。
在絮凝箱中,加入絮凝剂使水中的悬浮物、沉淀物形成易于沉降的大颗粒絮凝物。
在澄清沉淀池中,絮凝物和水得到分离,通过投加助凝剂,加速、加快悬浮物、沉淀物絮凝,提高絮凝效果,使絮凝物沉降在池底部,在重力作用下形成浓缩污泥,排向池中心集泥筒;污泥通过污泥循环泵和污泥输送泵抽走,澄清水由池周边溢水槽溢出池体,由泵加压后,进入活性炭过滤器,再进入下一级PH调节箱。
活性炭过滤器压力容器,是一种内装填粗石英砂垫层及优质活性炭的压力容器。它的工作是通过炭床来完成的。组成炭床的活性炭颗粒有非常多的微孔和巨大的比表面积,具有很强的物理吸附能力。水通过炭床,水中污染物被活性炭有效地吸附。此外活性炭表面非结晶部分上有一些含氧管能团,使通过炭床的水中污染物被活性炭有效地吸附,从而更进一步深度去除废水中的异色,异味,SS和汞,铅,镉,锌,铁,锰,铬等重金属物质,还可去除清水中的砷,硫化物,余氯等高分子化合物。
从活性炭过滤器中出来的澄清水,流入PH调节箱中,连续检测排放水的PH值,当PH值偏高时,向废水中投入盐酸,调节PH值达到标准要求后排至清水池贮存待排。
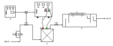
3.1电絮凝系统
标准化电絮凝设备通常由流量调节装置、电解反应器、分离装置、供电电源和控制系统构成,如图1所示。其中流量调节装置用以计量和调节进入电絮凝装置的废水流量;电解反应器由一组金属电极板组成,在通电的情况下电解生成金属氢氧化物絮体和氢气,从而产生絮凝气浮作用;分离装置则为废水中污染物通过絮凝气浮作用进行分离提供了场所,其本质是一个气浮沉淀池,含有撇渣和刮泥装置,以实现渣(泥)水分离;供电电源是电解反应的供电装置,为电絮凝过程提供直流电流,以完成电解反应;控制装置的主要功能是实现整套电絮凝装置协调、稳定、自动运行。

1-流量调节装置;2-电解反应器;3-分离装置;4-供电电源;5-控制系统
图1 标准化电凝聚设备的构成
电絮凝技术利用高效电解絮凝作用,生成吸附性极强的高活性絮凝基团,对于非溶解性高分子有机物有较好的去除效果。同时,与电气浮和电氧化作用相结合,可以进一步提高其对于有机物的去除率,尤其是对于难于生化降解的有机物,可以通过强氧化切断化学键,提高有机物的可生化性,再结合生化处理方法可以达到充分降解COD的目的,去除率一般在90%左右,足以保证处理后的脱硫废水水质达到《污水综合排放标准》GB8978-1996一级排放标准中要求的COD≤100的限值,而传统采用预曝气和次氯酸钠加药系统的组合工艺,去除效率仅有30%,根本无法达标排放。
电絮凝技术因其高效的絮凝作用,对于水中的胶体颗粒和各种杂质颗粒均可实现非常好的吸附絮凝作用,使水中的微小颗粒聚合成较大絮团,形成的絮团比投加絮凝剂形成的絮团更大、更密实,从而利于沉降截留从水中分离。电絮凝技术处理出水结合沉淀、过滤技术可以使出水浊度控制在3NTU以下,若原水浊度非常高(>100NTU),则只需简单的改变运行参数即可,达到与处理较低浊度水时同样的絮凝效果。电絮凝技术对于浊度、悬浮物的去除率可达到90%以上。对于电石渣脱硫废水中的高达15000~23000 mg/L浓度的悬浮物SS,处理后仅有200mg/L左右,再配以后续的加药絮凝和澄清池沉淀,还可以进一步降低SS指标。
电絮凝技术在加电反应过程中使水中生成OH-离子,结合铁、锰离子形成不溶物析出,再配合砂滤设备即可有效的去除水中的重金属离子,去除率可达到80%-95%。 对于铬离子的去除,由于Cr6+毒性较大,需先将其还原为毒性较低的Cr3+,再利用Cr3+与OH-中和沉淀去除。电絮凝技术电解产生二价Fe2+,其作为一种还原剂,可将水中的Cr6+充分转化为低价态的Cr3+,再结合反应产生的OH-,生成沉淀物质分离去除。电絮凝技术对于铬离子的去除率可达到90%以上
3.2活性炭吸附过滤系统
传统废水处理工艺,废水经澄清池沉淀过滤后,调节PH值后,便直接排放,其中悬浮物SS经常超标,根本无法达到70mg/L的排放限值要求。此时活性炭吸附器便可作为最后一道屏障,由于活性炭其高效的吸附效率,甚至能远低于70mg/L的排放限值。
活性炭吸附系统由吸附单元组成,包括1台活性炭吸附器、2台给水泵、反冲洗单元及就地控制柜及相应的管路(含压力表、脉动阻尼器)、管件、阀门、电缆管、电缆等配件。
主要技术参数:
工作压力:0.05MPa~0.6MPa
工作温度:5℃~40℃
操作方式:手动或自动控制
简体材质: Q235衬胶
三、结论
随着我国对环境保护的日益重视,脱硫废水排放指标也越来越严格,处理后的脱硫废水水质一般都必须达到《污水综合排放标准》GB8978-1996一级排放标准,传统的废水处理工艺已经不能满足要求,尤其是对于电石渣法脱硫产生的废水更是如此。优化升级后的废水处理工艺,在针对高浓度悬浮物SS、高浓度COD、高浓度重金属上有其独特的理念和优势,而且目前在国外发达国家已经有成功运行的案例,值得国内推广。
参考文献
[1] 郭声波,肖戈,郑亦农. 烟气脱硫及硫资源化新工艺[J]. 环境工程学报,2007,1( 3) : 97-103.
[2]钟秦. 燃煤烟气脱硫脱硝技术及工程实例[M]. 北京: 化学工业出版社,2002.
[3]吕宏俊. 电石渣- 石膏湿法脱硫技术的应用分析[J]. 电站系统工程,2011,27(1) : 41-45.

